乐竞官方站线登录入口-乐竞(中国)
您的位置: 首页 > 产品介绍
PRODUCTS
产品中心
超级电容在有轨电车的应用
超级电容在有轨电车的应用
产品特点

  随着国家城市化进程的加快,各地方城市人口呈逐步上升的趋势,人口的流动及道路车辆的增多,进一步加剧了城市交通的拥挤和环境的污染。现代有轨电车是一种中低运量的城市公共交通工具,具有建设周期短,综合造价和运营成本相对地铁低、无需独立路权等特点,受到各大中小城市的青睐。其中,储能式有轨电车有效解决了电车系统需沿途架设接触网供电的传统方式,得到了广泛地应用。

  储能式供电设备以超级电容最为常见,但随着新能源技术的不断发展,氢燃料电池也逐步进入轨道交通领域。特别是高明氢能源有轨电车的开通运营,为储能式设备提供了新的样本。氢能源是一种二次能源,与超级电容存在较大的差异,其技术原理、系统结构以及在有轨电车的运营表现均有不同的特点,对比分析这两类典型的储能式设备在有轨电车应用上的表现,为氢能源在有轨电车的应用与改进提供参考。

超级电容在有轨电车的应用

  超级电容在有轨电车的应用

  超级电容

  超级电容器,又被称作双电层电容器,是在20世纪60年代发展起来的一种基于新材料和新工艺的新型储能装置,通过利用活性炭多孔电极和电解质组成的双电层结构来获得超大的容量,通过电荷在电极表面的分离来储能,其电极上不发生法拉第反应。其既具备电容器快速充放电的特性,同时又具备电池的储能特性,并且能提供比物理电容器更高的能量密度、比电池具有更高的功率密度和更长的循环寿命。

  基于有轨电车启动频繁、电流量大的特点,超级电容作为独立的车载储能设备可以较好地满足有轨电车的运行需求。目前,利用超级电容作为储能装置进行独立供电的有轨电车已经在广州、深圳、武汉、淮安等地的多条线路上被较为广泛地应用。

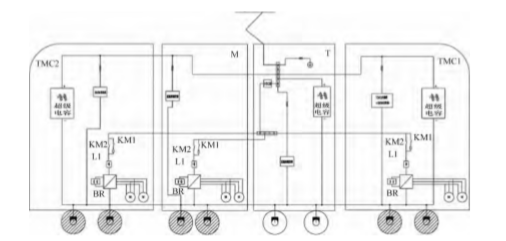
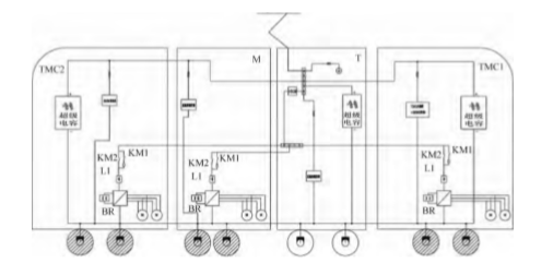
  超级电容供电系统结构

超级电容在有轨电车的应用

  如图2所示,采用超级电容作为储能元件的储能式现代有轨电车,其供电系统结构主要由车顶受电器系统、超级电容系统等组成。其中,车顶受电器一般采用单臂式轻型受电器,车辆在行驶过程中,受电器一直处于升起状态,当车辆进入站场区域,受电器与供电轨接触,从供电轨上集取电流,利用短暂的列车停站时间为超级电容快速补充电能。

产品技术参数
产品应用
产品展示
应用案例
© 2017 乐竞官方站线登录入口-乐竞(中国) All Rights Reserved.